河南羅茨風機廠家
瀏覽: 發布日期:2022-11-30
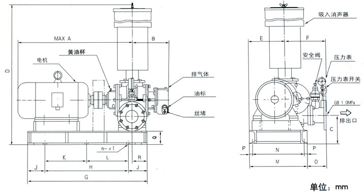
羅茨風機由機殼、墻板、葉輪、油箱、進出口消聲器等4大部分組成。
1、機殼:主要用來支撐墻板、葉輪、消聲器和固定的作用。
2、墻板:主要用來連接機殼與葉輪,并支撐葉輪的旋轉,以及起到端面密封的效果。
3、葉輪:是羅茨風機的旋轉部分,分兩葉和三葉,現在由于三葉的比兩葉的出氣脈動小、噪聲小,運轉平穩等很多優點,已逐漸代替兩葉羅茨風機。
4、油箱:油箱內部有包裹軸承、齒輪、潤滑油等。
5、消聲器:用減小羅茨風機的進、出由于氣流脈動產生的噪音。


相關新聞
- 2026-04-15羅茨風機廠家分享羅茨鼓風機選型說明書
- 2026-04-147臺200型粉體物料氣力輸送羅茨風機專車發貨現場
- 2026-02-28羅茨鼓風機選型說明
- 2026-01-14200KW羅茨鼓風機安裝圖
- 2026-01-14200KW羅茨鼓風機廠家型號規格







